Electricity has become one of the most important aspects of modern life, and it serves to power up not only household appliances such as lights, fans and refrigerators but also devices such as mobile phones, laptops and even heavy machinery in industries and agriculture. It is extensively used in homes, schools, hospitals, factories and businesses. We are so used to it that even a power outage of a few hours is enough to shake the whole of our daily routine. Class 10 Science Chapter 11 - Electricity helps the students to learn more about how electric circuits operate and discusses some of the basic ideas (including electric current, potential difference (voltage), resistance, Ohm's Law, heating effect of current, and electric power). The concepts are essential in solving theoretical as well as numerical problems.
This Story also Contains
NCERT Solutions for Class 10 Science Chapter 11 - Electricity are given in step-by-step explanations to the in-text and exercise questions, and thus, students will find it easy to master concepts and numericals. By using these NCERT solutions, students become assured of the ability to solve problems involving resistance in series and parallel, calculation of current, and consumption of power in electrical appliances. The NCERT Solutions for Class 10 Science Chapter 11 - Electricity are designed according to the current CBSE syllabus, so as to prepare students not only to take up board exams, but also to prepare a solid ground for higher classes and competitive exams. It is also provided with a downloadable PDF format, important formulas, extra HOTS (Higher Order Thinking Skills) questions, and real-life uses of electricity, making it fully prepared
The Class 10 Science Chapter 11 - Electricity question answers provide step-wise as well as clear explanations to all the textbook questions, and thus make the concepts of electricity fundamental to the students easy to grasp. All these class 10 science chapter 11 Electricity question answers are provided in PDF format so that one can download all solutions and read them conveniently offline.Download Solution PDF
Download the chapter-wise formula of NCERT class 10 science by clicking on the link given in the box.
Electricity Class 10 question answers give a clear and detailed explanation of the answers to all in-text questions present in the NCERT textbook. Through these class 10 science chapter 11 Electricity question answers, the students will be able to grasp some important concepts without prior knowledge of electric currents, potential differences, resistance, and Ohm’s law in a sequential manner, guaranteeing efficient board preparation.
Q.1 What does an electric circuit mean?
Answer:
A closed and continuous path of electric current is known as an electric circuit. It consists of electric circuit elements like batteries, resistors, etc, and electric devices like a switch and measuring devices like ammeters, etc.
Q.2 Define the unit of current.
Answer:
Ampere(A) is a unit of current. 1A is the flow of 1C of charge through a wire in 1s of time.
current $I=\frac{q}{t}$
$
1 A=\frac{1 C}{1 \sec }
$
Q.3 Calculate the number of electrons constituting one coulomb of charge.
Answer:
Given: Q=1C
We know that the charge of an electron $e=1.6 \times 10^{-19} \mathrm{C}$
$
\begin{aligned}
& Q=n e \\
& \Rightarrow n=\frac{Q}{e} \\
& \Rightarrow n=\frac{1}{1.6 \times 10^{-19}}=6.25 \times 10^{18}
\end{aligned}
$
Thus, the number of electrons constituting one coulomb of charge is $6 \times 10^{18}$ electrons.
Q.1 Name a device that helps to maintain a potential difference across a conductor.
Answer:
A battery, cell or power supply source helps to maintain a potential difference across a conductor.
Q.2 What is meant by saying that the potential difference between two points is 1 V?
Answer:
The potential difference between two points is 1 V means 1 J of work is required to move a charge of 1C from one point to another.
Q.3 How much energy is given to each coulomb of charge passing through a 6 V battery?
Answer:
Given: potential difference = 6V and charge =1C.
$
\begin{aligned}
& \text { Potential difference }=\frac{\text { work done }}{\text { charge }} \\
& \Rightarrow 6=\frac{\text { work done }}{1} \\
& \Rightarrow \text { work done }=6 \times 1=6 \mathrm{~J}
\end{aligned}
$
Thus, 6J energy is given to each coulomb of charge passing through a 6V battery.
Q.1 On what factors does the resistance of a conductor depend?
Answer:
The resistance of a conductor depends on :
1. Cross-sectional area of the conductor.
2. Length of conductor
3. The temperature of the conductor.
4. Nature of the material of the conductor.
Answer:
We know that resistance is given as
$
R=\frac{\rho l}{A}
$remain
$\mathrm{R}=$ resistance
$\rho=$ resistivity
$l$=length of wire
$A=$ area of cross-section
Resistance is inversely proportional to the area of the cross-section.
The thicker the wire, the more cross-sectional area, resulting in less resistance, resulting in more current flow.
Answer:
By Ohm's law,
$
\begin{aligned}
& \mathrm{V}=\mathrm{IR} \\
& I=\frac{V}{R}
\end{aligned}
$
$\mathrm{V}=$ potential difference
I =current
$\mathrm{R}=$ resistance
Now, the potential difference is reduced to half, i.e.
$
V^{\prime}=\frac{V}{2}
$
$\mathrm{R}^{\prime}=\mathrm{R}=$ resistance
I' =current
$
I^{\prime}=\frac{\frac{V}{2}}{R}=\frac{V}{2 R}=\frac{I}{2}
$
Q.4 Why are coils of electric toasters and electric irons made of an alloy rather than a pure metal?
Answer:
The resistivity of an alloy is higher than that of pure metal, so the alloy does not melt at high temperatures. Thus, coils of electric toasters and electric irons are made of an alloy rather than a pure metal.
Q.5 Use the data in the Table to answer the following –
(a) Which among iron and mercury is a better conductor?
(b) Which material is the best conductor?

Answer:
The lower the value of resistivity, the lower the resistance for a material of given area and length. If resistance is low, current flow will be high when a potential difference is applied across the conductor.
(a) resistivity of iron $=10.0 \times 10^{-8} \Omega \mathrm{~m}$
the resistivity of mercury $=94 \times 10^{-8} \Omega \mathrm{~m}$
The resistivity of mercury is more than that of iron, so iron is a better conductor than mercury.
(b) From the table, we can observe that silver has the lowest resistivity, so it is the best conductor.
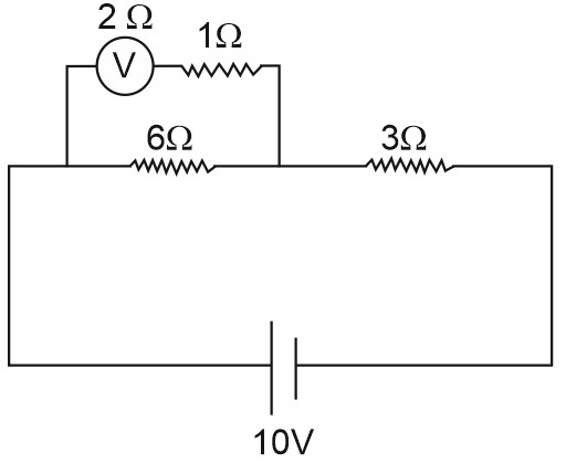
Answer:
The schematic diagram of a circuit consisting of a battery of three cells of 2 V each, a $5 \Omega$ resistor, an $8 \Omega$ resistor, and a $12 \Omega$ resistor, and a plug key, all connected in series, is shown below :

Answer:
The diagram is as shown :

Resistance of circuit, R=5+8+12=25
Potential = 6V
$
\begin{aligned}
& V=I R \\
& \Rightarrow I=\frac{V}{R}=\frac{6}{25}=0.24 \mathrm{~A}
\end{aligned}
$
Now, for a 12 ohm resistor, current $=0.24 \mathrm{~A}$.
By Ohm's law,
$
V=I R=0.24 \times 12=2.88 \mathrm{~V}
$
The reading of the ammeter is 0.24 A, and the voltmeter is 2.88 V.
Answer:
(a) $1 \Omega$ and $10^6 \Omega$
$R=$ Equivalent resistance
$
\begin{aligned}
& \frac{1}{R}=\frac{1}{R_1}+\frac{1}{R_2} \\
& \Rightarrow \frac{1}{R}=\frac{1}{1}+\frac{1}{10^6} \\
& \Rightarrow \frac{1}{R}=\frac{10^6+1}{10^6} \\
& \Rightarrow R=\frac{10^6}{10^6+1} \approx 1 \Omega
\end{aligned}
$
(b) $1 \Omega$ and $10^3 \Omega$, and $10^6 \Omega$,
$\mathrm{R}=$ Equivalent resistance
$
\frac{1}{R}=\frac{1}{R_1}+\frac{1}{R_2}+\frac{1}{R_3}
$
$\begin{aligned} & \Rightarrow \frac{1}{R}=\frac{1}{1}+\frac{1}{10^3}+\frac{1}{10^6} \\ & \Rightarrow \frac{1}{R}=\frac{10^6+10^3+1}{10^6} \\ & \Rightarrow R=\frac{10^6}{10^6+10^3+1}=0.999 \Omega \approx 1 \Omega\end{aligned}$
Answer:
Given : $R_1=100 \Omega, R_2=50 \Omega, R_3=500 \Omega$
$\mathrm{R}=$ Equivalent resistance
$
\begin{aligned}
& \frac{1}{R}=\frac{1}{R_1}+\frac{1}{R_2}+\frac{1}{R_3} \\
& \Rightarrow \frac{1}{R}=\frac{1}{100}+\frac{1}{50}+\frac{1}{500} \\
& \Rightarrow \frac{1}{R}=\frac{5+10+1}{500}=\frac{16}{500} \\
& \Rightarrow R=\frac{500}{16}=31.25 \Omega
\end{aligned}
$
By Ohm's law,
$
I=\frac{V}{R}=\frac{220}{31.25}=7.04 A
$
Hence, the resistance of the electric iron is 31.25, and the current through it is 7.04 A.
Answer:
In parallel, there is no division of voltage among the appliances, so the potential difference across all appliances is equal, and the total effective resistance of a circuit can be reduced. Hence, connecting electrical devices in parallel with the battery is beneficial instead of connecting them in series.
Answer:
(a) $R_1=3, R_2=6, R_3=2$
$\mathrm{R}=$ Equivalent resistance
$
\begin{aligned}
& \frac{1}{R_{12}}=\frac{1}{R_1}+\frac{1}{R_2} \\
& \Rightarrow \frac{1}{R_{12}}=\frac{1}{3}+\frac{1}{6} \\
& \Rightarrow \frac{1}{R_{12}}=\frac{2+1}{6} \\
& \Rightarrow R_{12}=\frac{6}{3}=2 \\
& R=R_{12}+R_3=2+2=4
\end{aligned}
$

(b) 1 Ohm
R=Equivalent resistance
Connect all three resistors in parallel
$\begin{aligned} \frac{1}{R}= & \frac{1}{R_1}+\frac{1}{R_2}+\frac{1}{R_3} \\ & \Rightarrow \frac{1}{R}=\frac{1}{2}+\frac{1}{3}+\frac{1}{6} \\ & \Rightarrow \frac{1}{R}=\frac{6+3+1}{6} \\ & \Rightarrow R=\frac{16}{6}=1 \Omega\end{aligned}$
Answer:
The highest total resistance is obtained when all the resistors are connected in a series
$4+8+12+24=48 \Omega$
Answer:
The lowest total resistance, R, is obtained when all the resistors are connected in parallel.
$\begin{aligned} & \frac{1}{R}=\frac{1}{4}+\frac{1}{8}+\frac{1}{12}+\frac{1}{24} \\ & \frac{1}{R}=\frac{6+3+2+1}{24}=\frac{12}{24} \\ & R=\frac{24}{12}=2\end{aligned}$
Q. 1. Why does the cord of an electric heater not glow while the heating element does?
Answer:
The heating element of an electric heater is a resistor.
The amount of heat production is given as $H=I^2 R t$.
The resistance of elements (alloys) of an electric heater is high. As current flows through this element, it becomes hot and glows red.
The resistance of the cord (metal like Cu or Al)of an electric heater is low. As current flows through this element, it does not become hot and does not glow red.
Answer:
Given: potential difference = 50 V.
Charge = 9600 C
time = 1 hr=3600 s
$\begin{aligned} & \quad I=\frac{\text { charge }}{\text { time }(\text { seconds })}=\frac{9600}{3600}=\frac{80}{3} \mathrm{~A} \\ & \text { So, } H=\text { VIt } \\ & \Rightarrow H=50 \times \frac{80}{3} \times 3600 \\ & \Rightarrow H=4800000 \mathrm{~J}=4.8 \times 10^6 \mathrm{~J}\end{aligned}$
Q. 3 An electric iron of resistance $20 \Omega$ takes a current of 5 A. Calculate the heat developed in 30 s.
Answer:
Given : resistance $=\mathrm{R}=20 \Omega$, Time $=30$ s, current $=\mathrm{I}=5 \mathrm{~A}$
$
\begin{aligned}
& V=I R \\
& \Rightarrow V=5 \times 20=100 \mathrm{~V} \\
& \\
& \quad H=V I t \\
& \quad \Rightarrow H=100 \times 5 \times 30 \\
& \quad \Rightarrow H=15000 \mathrm{~J}=1.5 \times 10^4 \mathrm{~J}
\end{aligned}
$
Q.1 What determines the rate at which energy is delivered by a current?
Answer:
The rate at which energy is delivered by a current is power.
Power P = I²R, where I is the current and R is the resistance of the circuit/ appliance. Power depends on the current drawn by the appliance and the resistance of the appliance.
Answer:
Given: I= 5 A and V= 220 V.
Power=P=VI
$P=220 \times 5=1100 \mathrm{~W}$
Time $=2 h r=2 \times 60 \times 60=7200 s$
The energy consumed $=$ power $\times$ time$=1100 \times 7200 \mathrm{~J}=7920000 \mathrm{~J}$
Power of motor $=1100 \mathrm{~W}$
Energy consumed by motor $=7920000 \mathrm{~J}$
NCERT Solutions for Class 10 Science Chapter 11 - Electricity comprise the well-organised answers to all the exercises presented in the textbook, including key topics such as resistance, resistivity, electrical power, heating effects of current, etc. The Electricity class 10 question answers facilitate the solving of problems and enhance better exam preparations with proper explanations.
Answer:
Given: A piece of wire of resistance R is cut into five equal parts.
Resistance of each part is $\frac{R}{5}$.
$\frac{1}{R^{\prime}} =\frac{5}{R}+\frac{5}{R}+\frac{5}{R}+\frac{5}{R}+\frac{5}{R} \\$
$\frac{1}{R^{\prime}} =\frac{25}{R} \\$
$R^{\prime} =\frac{R}{25} \\$
$\text { Hence, } \frac{R}{R^{\prime}} =\frac{R}{\frac{R}{25}}=25$
Thus, option d is correct.
Q. 2. Which of the following terms does not represent electrical power in a circuit?
(a) $I^2 R(b) I R^2(c) V I(d) V^2 / R$
Answer:
We know that power $=\mathrm{P}=\mathrm{VI}$-------------- (1)
Put, $\mathrm{V}=\mathrm{IR}$ in equation 1
$
P=I^2 R
$
Pur, $I=\frac{V}{R}$ in equation 1 ,
$
P=V \times \frac{V}{R}=\frac{V^2}{R}
$
$\mathrm{P}=$ power, $\mathrm{V}=$ potencial difference, $\mathrm{I}=$ current, $\mathrm{R}=$ resistance
P cannot be $I R^2$.
Thus, option b is correct.
Q. 3. An electric bulb is rated 220 V and 100 W. When it is operated on 110 V, the power consumed will be
(a) 100 W (b) 75 W (c) 50 W (d) 25 W
Answer:
Given : $\mathrm{V}=220 \mathrm{~V}, \mathrm{P}=100 \mathrm{~W}$
$
P=\frac{V^2}{R}
$
The resistance of the bulb
$
\Rightarrow R=\frac{V^2}{P}=\frac{(220)^2}{100}=484 \Omega
$
If the bulb is operated on 110 V andthe resistance is the same, the power consumed will be $\mathrm{P}^{\prime}$
$
P^{\prime}=\frac{V^2}{R}=\frac{(110)^2}{484}=25 W
$
Hence, option d is correct.
(a) 1:2 (b) 2:1 (c) 1:4 (d) 4:1
Answer:
If resistors are connected in parallel, the net resistance is given as
$
\begin{aligned}
& \frac{1}{R_p}=\frac{1}{R_1}+\frac{1}{R_2} \\
& \Rightarrow \frac{1}{R_p}=\frac{1}{R}+\frac{1}{R} \\
& \Rightarrow \frac{1}{R_p}=\frac{2}{R} \\
& \Rightarrow R_p=\frac{R}{2}
\end{aligned}
$
If resistors are connected in series, the net resistance is given as
$
\Rightarrow R_s=R_1+R_2=R+R=2 R
$
Heat produced $=\mathrm{H}=\frac{V^2}{R} t$
$
\begin{aligned}
& \frac{H_s}{H_p}=\frac{\frac{V^2 t}{2 R}}{\frac{V^{2 t}}{\frac{R}{2}}} \\
& \Rightarrow \frac{H_s}{H_p}=\frac{1}{4} \\
& \Rightarrow H_s: H_p=1: 4
\end{aligned}
$
Thus, option c is correct.
Q. 5. How is a voltmeter connected in the circuit to measure the potential difference between two points?
Answer:
A voltmeter should be connected in parallel to measure the potential difference between two points.
Answer:
Given : diameter $=\mathrm{d}=0.5 \mathrm{~mm}$ and resistivity $=\rho=1.6 \times 10^{-8} \Omega \mathrm{~m}$, resistance $=\mathrm{R}=10 \Omega$
Area $=A$
$
\begin{aligned}
& A=\frac{\pi d^2}{4}=\frac{3.14 \times 0.5 \times 0.5}{4} \\
& \Rightarrow A=0.000000019625 \mathrm{~m}^2
\end{aligned}
$
We know
$
\begin{aligned}
& R=\frac{\rho l}{A} \\
& \Rightarrow l=\frac{R A}{\rho}=\frac{10 \times 0.000000019625}{1.6 \times 10^{-8}} \\
& =122.72 \mathrm{~m}
\end{aligned}
$
If the diameter is doubled.
$
\mathrm{d}=1 \mathrm{~mm}
$
Area $=A^{\prime}$
$
\begin{aligned}
& A^{\prime}=\frac{\pi d^2}{4}=\frac{3.14 \times 1 \times 1}{4} \\
& \Rightarrow A=0.000000785 \mathrm{~m}^2
\end{aligned}
$
We know
$
\begin{aligned}
& R^{\prime}=\frac{\rho l}{A^{\prime}} \\
& \Rightarrow R^{\prime}=\frac{1.6 \times 10^{-8} \times 122.72}{0.000000785} \\
& \Rightarrow R^{\prime}=2.5 \Omega \\
& \frac{R^{\prime}}{R}=\frac{2.5}{10}=\frac{1}{4}
\end{aligned}
$
Hence, new resistance is $\frac{1}{4}$ of original resistance.
I (amperes) 0.5 1.0 2.0 3.0 4.0
V (volts) 1.6 3.4 6.7 10.2 13.2
Plot a graph between V and I and calculate the resistance of that resistor
Answer:
The plot between voltage and current is as shown :

The slope of the line gives resistance (R)
$R=\frac{6.8}{2}=3.4 \Omega$
Answer:
Given : V=12V , I = 2.5 mA = 0.0025 A
$R=\frac{12}{0.0025}=4800 \Omega=4.8 k \Omega$
Answer: Total resistance $=\mathrm{R}$
$
R=0.2+0.3+0.4+0.5+12=13.4 \Omega
$
$
\begin{aligned}
& \mathrm{V}=9 \mathrm{~V} \\
& I=\frac{V}{R}=\frac{9}{13.4}=0.67 \mathrm{~A}
\end{aligned}
$
Hence, all resistors are in series, so 0.67 A current would flow through the $12 \Omega$ resistor.
Q.10. How many $176 \Omega$ resistors (in parallel) are required to carry 5 A on a 220 V line?
Answer:
Given: V=220V and I =5A
$
R=\frac{V}{I}=\frac{220}{5}=44 \Omega
$
Let $x$ number of resistors be connected in parallel to obtain 44 Ohm equivalent resistance.
Thus,
$
\begin{aligned}
& \frac{1}{R}=\frac{1}{176}+\frac{1}{176}+\ldots \ldots \ldots \ldots \ldots \ldots \ldots \text {............ } x \text { times } \\
& \Rightarrow \frac{1}{44}=\frac{x}{176} \\
& \Rightarrow x=\frac{176}{44}=4
\end{aligned}
$
Hence, 4 resistors of 176 Ohms are connected in parallel to obtain 44 Ohms.
Q.11. Show how you would connect three resistors, each of resistance $6 \Omega$, so that the combination has a resistance of (i) $92 \Omega$, (ii) $4 \Omega$.
Answer:
(i) $R_1=R_2=R_3=6$
$\mathrm{R}=$ Equivalent resistance
$
\begin{aligned}
\frac{1}{R_{12}} & =\frac{1}{R_1}+\frac{1}{R_2} \\
& \Rightarrow \frac{1}{R_{12}}=\frac{1}{6}+\frac{1}{6} \\
& \Rightarrow \frac{1}{R_{12}}=\frac{1+1}{6} \\
& \Rightarrow R_{12}=\frac{6}{2}=3 \\
& R=R_{12}+R_3=3+6=9 \Omega
\end{aligned}
$

(ii)
$
R_1=R_2=R_3=6
$
$\mathrm{R}=$ Equivalent resistance
$
\begin{aligned}
& R_{12}=R_1+R_2=6+6=12 \Omega \\
& \frac{1}{R}=\frac{1}{R_{12}}+\frac{1}{R_3} \\
& \Rightarrow \frac{1}{R}=\frac{1}{12}+\frac{1}{6} \\
& \Rightarrow \frac{1}{R}=\frac{1+2}{12} \\
& \Rightarrow R=\frac{12}{3}=4
\end{aligned}
$
Answer:
Given: $\mathrm{V}=220 \mathrm{~V}$ and $\mathrm{P}=10 \mathrm{~W}$
$
R=\frac{V^2}{P}=\frac{220^2}{10}=4840 \Omega
$
Let x be the number of bulbs.
$
\begin{aligned}
& \mathrm{I}=5 \mathrm{~A} \text { and } \mathrm{V}=220 \mathrm{~V} \\
& \qquad R=\frac{V}{I}=\frac{220}{5}=44 \Omega
\end{aligned}
$
For $x$ bulbs of resistance 4680 Ohm, are connected in parallel to obtain 44 Ohm equivalent resistance.
Thus,
$
\begin{aligned}
& \frac{1}{R}=\frac{1}{4840}+\frac{1}{4840}+\ldots \ldots \ldots \ldots \ldots \ldots . . . \text { to } x \text { times } \\
& \Rightarrow \frac{1}{44}=\frac{x}{4840} \\
& \Rightarrow x=\frac{4840}{44}=110
\end{aligned}
$
Hence, 110 bulbs of 4840 Ohms are connected in parallel to obtain 44 Ohms.
Answer:
Given : V=220V and Resistance of each coil=R =24A
When the coil is used separately, the current in the coil is
$
I=\frac{V}{R}=\frac{220}{24}=9.16 A
$
When two coils are connected in series, the net resistance is
$
R=R_1+R_2=24+24=48 \Omega
$
current in coil is I'
$
I^{\prime}=\frac{V}{R}=\frac{220}{48}=4.58 \mathrm{~A}
$
When two coils are connected in parallel, the net resistance is
$
\begin{aligned}
& \frac{1}{R}=\frac{1}{24}+\frac{1}{24}=\frac{2}{24} \\
& \Rightarrow R=12 \Omega
\end{aligned}
$
current in the coil is I"
$
I^{\prime \prime}=\frac{V}{R}=\frac{220}{12}=18.33 \mathrm{~A}
$
Q.14. Compare the power used in the $2 \Omega$ resistor in each of the following circuits:
(i) a 6 V battery in series with $1 \Omega$ and $2 \Omega$ resistors
(ii) a 4 V battery in parallel with $12 \Omega$ and $2 \Omega$ resistors.
Answer:
i) Given: V=6V
$\mathrm{R}=1+2=30 \mathrm{hm}$
$
I=\frac{V}{R}=\frac{6}{3}=2 A
$
In a series current is constant.
So, power $=P$
$
P=I^2 R=2^2 \times 2=8 W
$
ii) Given: $V=6 \mathrm{~V}, \mathrm{R}=2 \mathrm{Ohm}$
In a parallel combination, voltage in the circuit is constant.
So, power $=P$
$
P=\frac{V^2}{R}=\frac{4^2}{2}=8 W
$
Answer:
Given :
For lamp one: Power $=\mathrm{P_1} =100 \mathrm{~W}$ and $\mathrm{V}=220 \mathrm{~V}$
$
I_1=\frac{P_1}{V}=\frac{100}{220}=0.455 \mathrm{~A}
$
For lamp two: Power $=\mathrm{P_2} =60 \mathrm{~W}$ and $\mathrm{V}=220 \mathrm{~V}$
$
I_2=\frac{P_2}{V}=\frac{60}{220}=0.273 \mathrm{~A}
$
Thus, the net current drawn from the supply is $0.455+0.273=0.728 \mathrm{~A}$
Q.16. Which uses more energy, a 250 W TV set in 1 hr, or a 1200 W toaster in 10 minutes?
Answer:
For the TV set :
Given : Power $=250 \mathrm{~W}$ and time $=1 \mathrm{hr}=3600$ seconds
Energy consumed $=\mathrm{H}=\mathrm{PI}$
$
H=250 \times 3600=900000 J
$
For toaster :
Given : Power $=1200 \mathrm{~W}$ and time $=10$ minutes $=600$ seconds
Energy consumed $=\mathrm{H}=\mathrm{PI}$
$
H=1200 \times 600=720000 J
$
Thus, the TV set uses more energy than a toaster.
Q. 17. An electric heater of resistance $8 \Omega$ draws 15 A from the service mains for 2 hours. Calculate the rate at which heat is developed in the heater.
Answer:
Given: R=8 Ohm ,I=15A and t= 2hr
The heat developed in the heater is H.
The heat developed in the heater is H.
$
H=I^2 R t
$
The rate at which heat is developed is given as
$
\frac{I^2 R t}{t}=I^2 R=15^2 \times 8=1800 \mathrm{~J} / \mathrm{s}
$
Q.18(a). Explain the following: Why is tungsten used almost exclusively for the filament of electric lamps?
Answer:
Tungsten is used almost exclusively for the filament of electric lamps because the melting point of tungsten is very high. The bulb glows at a very high temperature. So tungsten filament does not melt when the bulb glows.
Answer:
The conductors of electric heating devices, such as bread toasters and electric irons, are made of an alloy rather than a pure metal because the resistivity of the alloy is greater than that of a pure metal. So the resistance will be high, and the heating effect will be high.
Q.18.(c) Explain the following: Why is the series arrangement not used for domestic circuits?
Answer:
If any of the elements in the circuit get damaged, the entire circuit will be affected. If an element breaks, there will not be any current flow through the circuit. So the series circuit is not preferred in the domestic circuit.
Q.18.(d) Explain the following: How does the resistance of a wire vary with its area of cross-section?
Answer:
We know that
$\begin{aligned} & R=\frac{\rho l}{A} \\ & R \alpha \frac{1}{A}\end{aligned}$
Thus, the resistance of a wire is inversely proportional to its area of cross-section.
Answer:
Copper and aluminium wires are usually employed for electricity transmission because they have low resistivity and are good conductors of electricity.
The NCERT Class 10 Physics Chapter 11 Electricity HOTS (Higher Order Thinking Skills) questions aim at challenging high-order conceptual insight in topics such as Ohm's law, series and parallel circuits, and power consumption. These complicated questions lead to increased analytical thinking and problem-solving abilities, which also help the students in all types of competitive exams.
Q1:
If the electronic charge is $1.6 \times 10^{-19} \mathrm{C}$, then the number of electrons passing through a section of wire per second when the wire carries a current of 2 A, is
Answer:
Given : $\mathrm{e}=1.6 \times 1 \mathrm{o}^{-19} \mathrm{C}, I=2 \mathrm{A}, t=1 \mathrm{~s}$
Using $I=\frac{\text { ne }}{t}$
$\therefore$ Number of electrons $\mathrm{n}=\frac{\mathrm{It}}{\mathrm{e}}=\frac{2 \times 1}{1.6 \times 10^{-19}}=1.25 \times 10^{19}$ electrons
Q2:
When two bulbs of power 60 W and 40 W are connected in series, then the power of their combination will be:
Answer:
Given:- Power of two bulbs $P_1=60$ and $P_2=40 \mathrm{~W}$
To find the Power of their combination,
We know, Power $P=\frac{V^2}{R}$
where $V$ denotes voltage across bulb and $R$ denotes resistance of bulb.
So, Resistance of first bulb $\quad R_1=\frac{V^2}{p_1}=\frac{V^2}{60}....(1)$
Similarly,
Resistance of and bulb, $R_2=\frac{V^2}{P_2}=\frac{V^2}{40}......(2)$
Now, $R_1$ and $R_2$ are Joined in Series
then,
equivalent resistance $R_{e q}=R_1+R_2$
$
\begin{aligned}
& \frac{V^2}{P_{e q}}=\frac{V^2}{60}+\frac{V^2}{40} \\
& \frac{1}{P_{e q}}=\frac{1}{60}+\frac{1}{40} \\
& P_{e q}=\frac{60 \times 40}{60+40}=24 \mathrm{~W} \\
& P_{e q}=24 \mathrm{~W}
\end{aligned}
$
Q3:
At a constant potential difference, the resistance of any electric circuit is halved. The value of heat produced will be:
Answer:
We know,
The heat produced $=i^2 R t....(1)$
where $i$ is current, $R$ is resistance and is tee.
$
\begin{aligned}
\because \quad V & =i R \\
i & =V / R
\end{aligned}
$
putt in (1)
$
H=\left(\frac{V}{R}\right)^2 R t=\frac{V^2}{R} \cdot t
$
So, $V$ is constant
and $R$ is now $R / 2$ given.
and $t$ remains same
$
H=\frac{V^2}{R / 2} \cdot t=2 \frac{V^2}{R} \cdot t
$
$H=2 \frac{V^2}{R} \cdot t$
Hence, the heating produced will be doubled
Q4:
A wire of resistance $9 \Omega$ is bent to form an equilateral triangle. Then the equivalent resistance across any two vertices will be ____ ohm.
Answer:
$9 \Omega$ is the resistance of the whole wire
$\therefore$ resistance of each wire $=3 \Omega$.
$\therefore$ Equivalent resistance $=2 \Omega$
Q5:
A wire of resistance $R$ is bent into an equilateral triangle, and an identical wire is bent into a square. The ratio of resistance between the two endpoints of an edge of the triangle and that of the square is
Answer:
$\mathrm{R}=\frac{\rho \ell}{\mathrm{A}}$
So, $R \propto \ell$
Side length of the triangle is $1 / 3$ of the total length.

$\left(\mathrm{R}_{\mathrm{eq}}\right)_1=\frac{2 \mathrm{r} / 3 \times \mathrm{r} / 3}{2 \mathrm{r} / 3+\mathrm{r} / 3} = 2\mathrm{r}/9$
$\left(\mathrm{R}_{\mathrm{eq}}\right)_2=\frac{3 \mathrm{r} / 4 \times \mathrm{r} / 4}{3 \mathrm{r} / 4+\mathrm{r} / 4} = 3\mathrm{r}/16$
$\frac{\left(\mathrm{R}_{\mathrm{eq}}\right)_1}{\left(\mathrm{R}_{\mathrm{eq}}\right)_2}=\frac{2 \mathrm{r} / 9}{3 \mathrm{r}/16}=\frac{32}{27}$
Q6:
For the given circuit, reading of voltmeter is $\frac{2 P}{3}$, here $P$ is:

Answer:
$\begin{aligned} & 4 V=I(2)+I(1) \\ & I=\frac{4}{3} \\ & \text { Reading of voltmeter }=I \times 2=\frac{8}{3}\end{aligned}$
Hence, the answer is 4.
Q7:
A wire of resistance $R$ is bent into a triangular pyramid as shown in the figure, with each segment having the same length. The resistance between points $A$ and $B$ is $R / n$. The value of $n$ is :

Answer:
As $r=\frac{R}{6}$

(As a balanced wheat stone bridge is formed)
Now, the equivalent resistance between A and B can be written as
$
\begin{aligned}
& \frac{1}{\mathrm{R}_{\mathrm{AB}}}=\frac{1}{2 \mathrm{r}}+\frac{1}{2 \mathrm{r}}+\frac{1}{\mathrm{r}}=\frac{2}{\mathrm{r}} \\
& \mathrm{R}_{\mathrm{AB}}=\frac{\mathrm{R}}{12}
\end{aligned}
$
NCERT Solutions for Class 10 Science Chapter 11 Electricity cover all the important topics needed to understand how electric circuits work and how electrical quantities like current, voltage, resistance, and power are calculated. These topics are essential for both board exam preparation and real-life applications.
11.1 Electric Current And Circuit
11.2 Electric Potential And Potential Difference
11.3 Circuit Diagram
11.4 Ohm’s Law
11.5 Factors On Which The Resistance of A Conductor Depends
11.6 Resistance of A System Of Resistors
11.6.1 Resistors In Series
11.6.2 Resistors In Parallel
11.7 Heating Effect Of Electric Current
11.7.1 Practical Applications of the Heating Effect Of Electric Current
11.8 Electric Power
Also, students can refer to
The NCERT Solutions for Class 10 Science Chapter 11 Electricity provide all the important formulae related to current, voltage, resistance, power, and energy. These formulas make problem-solving easier, help in quick revision, and are essential for scoring well in board as well as competitive exams.
$
V=I R
$
Where:
$V=$ potential difference (volts)
$I=$ current (amperes)
$R=$ resistance (ohms, $\Omega$)
$
R=\rho \frac{l}{A}
$
Where:
$R=$ resistance
$\rho=$ resistivity of the material
$l=$ length of the conductor
$A=$ cross-sectional area
$R_{\text {total }}=R_1+R_2+R_3+\ldots$
$\frac{1}{R_{\text {total }}}=\frac{1}{R_1}+\frac{1}{R_2}+\frac{1}{R_3}+\ldots$
$
P=V I=I^2 R=\frac{V^2}{R}
$
Where:
$P=$ power (watts)
$
E=P t=V I t=I^2 R t=\frac{V^2 t}{R}
$
Where:
$E=$ electrical energy (in joules)
The chapter Current Electricity helps the students to learn how the electric current works through a circuit and the connections among voltage, resistance and current. In order to be able to solve the questions that are related to this chapter effectively, the students will have to pay attention to the knowledge about Ohm's Law, series and parallel circuits, electric power, and resistivity. Conceptual and numerical problems of formulas, units and circuit diagrams are solved more accurately, based on a systematic approach.
Start by reading the question to see whether it is related to Ohm's Law, series or parallel circuit, resistor or numericals involving current, voltage and resistance.
Write down all the specified values (voltage (V), current (I), resistance (R), number of resistors and type of combination).
Use Ohm's Law formula (V=IR) when it is necessary to determine the relationship between voltage, current, and resistance.
Use the appropriate formula for series/parallel circuit arrangements:
$R_{\text {total }}=R_1+R_2+\ldots$
$\frac{1}{R_{\text {total }}}=\frac{1}{R_1}+\frac{1}{R_2}+......$
NCERT Solutions of class 10 Science Chapter 11: Electricity guide students in getting the fundamental concepts of electric current, potential difference, resistance and electrical power in a simple and systematic manner. These Electricity class 10 question answers will lead a student to the solutions of the numerical problems by the use of the Ohm law and analysis of the circuit, which is easy to understand even in the difficult subjects. They also enhance conceptual understanding and problem-solving ability, which is needed in board exams and also in competitive exams such as NTSE and Olympiads.
This chapter allows the students to clearly understand the electric current and its use in daily life. With the help of the NCERT Solutions of Class 10 Science Chapter 11 - Electricity, students will acquire the following main concepts:
Chapter-wise NCERT solutions can make it extremely easy to prepare notes for the Class 10 Science exams. These solutions include explanations for all in-text and exercise questions, and they assist students in developing firm concepts and get along with their problem-solving abilities. These links serve as a comprehensive guide to studying all board exams and competitive tests with step-by-step explanations and relevant formulas.
NCERT Solutions for Class 10 Maths and Science provide clear, accurate, and step-by-step answers to textbook questions based on the latest syllabus. These subject-wise solutions help students strengthen concepts, improve problem-solving skills, and prepare confidently for board examinations.
NCERT Notes for Class 10 Maths and Science offer concise and well-organised explanations of important concepts, formulas, and diagrams. These subject-wise notes help students revise quickly, improve conceptual clarity, and strengthen exam preparation.
NCERT Books and the NCERT Syllabus for Class 10 form the core of the CBSE curriculum and ensure concept-based learning. Easy access to these links helps students follow the prescribed textbooks, understand the exam pattern, and prepare systematically for board examinations.
Frequently Asked Questions (FAQs)
The key concepts are Ohm's Law, Series and Parallel resistors, heating of electric current, electric power and energy, and numerical problems on the same.
In order to get full marks, write down the provided data in an understandable way, state the formula applied (such as V = IR or P = VI), replace values in the right way, and add the SI units to the final solution.
Numerical problems (3-5 marks), conceptual questions (1-2 marks), and application-based HOTS questions, such as why use fuses, why parallel connection of bulbs, etc., can be expected.
The resistance is dependent on the heating effect. The heater coil is composed of a high-resistance material, such as nichrome, thus giving it a higher output of heat when it carries current. The connecting wires consist of low-resistance substances such as copper or aluminium; thus, a minimal amount of heat is produced in the connecting wires
Yes, NCERT Solutions of Chapter 11 of Class 10 Science, which is about Electricity, can be downloaded as a free PDF document. These are in-text answers, exercise answers, numerical answers, and HOTS questions; thus they are also optimal in revision and exam preparation.
Since all important textbooks and sample questions are answered step-by-step, NCERT Solutions offer a solid foundation for receiving a perfect score. As advised by teachers and CBSE toppers, students should concentrate on conceptual clarity, practice more sample questions, and revise frequently for the best results.
According to NCERT Solutions for Class 10 Science Chapter 11, what approach should students take while answering to questions based on circuit diagrams?
Students should:
On Question asked by student community
Class 10 CBSE 2026
Chennai Sahodaya
common examination papers are currently available. Students can directly download theseCBSE 10th Sahodayaquestion papers from the given link below. They can practice these question papers using timmer.
Direct Link: Class 10 CBSE Sahodaya Question Paper
Students can download Banglore Sahodaya Science pre board paper is provided by schools first. After the exam schools upload the paper online. We have provided the Banglore Sahodaya question paper below
Download CBSE Banglore Sahodaya Science Question Paper Here
CBSE Banglore Sahodaya Paper Structure (Class 10 Science)
The Bangalore Sahodaya
Hello,
The link to the question paper is attached here. You can also find the answer key on the website of Careers360. Careers360 also provide student with preparation tips that will help them utilise their time in preparation.
https://school.careers360.com/articles/cbse-sahodaya-class-10-pre-board-question-paper-2025-26
Thank you.
Hello,
The link to the question paper is attached here. You can also find the answer key for the subjects on the careers360 website that will help you analyse in-depth performance.
https://school.careers360.com/articles/chennai-sahodaya-question-paper-2025-26
Thank you
Hello
You will be able to download the CBSE Class 10th Sample Paper 2025-26 from our official website, careers360, by using the link which is given below.
https://school.careers360.com/boards/cbse/cbse-10th-maths-sample-papers-2025-26
Thank you.
As per latest syllabus. Physics formulas, equations, & laws of class 11 & 12th chapters
As per latest syllabus. Chemistry formulas, equations, & laws of class 11 & 12th chapters
As per latest 2024 syllabus. Study 40% syllabus and score upto 100% marks in JEE
As per latest syllabus. Maths formulas, equations, & theorems of class 11 & 12th chapters